Сосредоточенный элемент
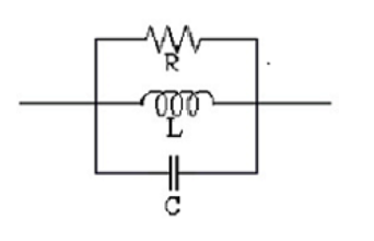
Сосредоточенный элемент представляет собой параллельное соединение на поверхности сосредоточенного резистора, катушки индуктивности и/или конденсатора.
Параллельная схема RLC с сосредоточенными параметрами может быть составлена из комбинации трех элементов схемы:

- Поверхность элемента с сопротивлением;
- Поверхность элемента с емкостью;
- Поверхность элемента с индуктивностью.
По умолчанию элементы выключены. Чтобы установить соединение, вам нужно включить хотя бы один.
Если элемент включен, но равен "0":
- R = 0 Ohm короткое замыкание;
- L = 0 nH короткое замыкание;
- C = 0 pF холостой.
